Grain 128a
The Grain 128a stream cipher was first purposed at Symmetric Key Encryption Workshop (SKEW) in 2011[1] as an improvement of the predecessor Grain 128, which added security enhancements and optional message authentication using the Encrypt & MAC approach. One of the important features of the Grain family is that the throughput can be increased at the expense of additional hardware. Grain 128a is designed by Martin Ågren,[1] Martin Hell, Thomas Johansson and Willi Meier.
Description of the cipher

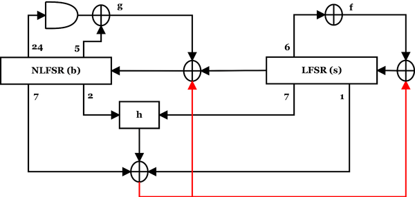
Grain 128a consists of two large parts: Pre-output function and MAC. The pre-output function has an internal state size of 256 bits, consisting of two registers of size 128 bit: NLFSR and LFSR. The MAC supports variable tag lengths w such that . The cipher uses a 128 bit key.
The cipher supports two modes of operation: with or without authentication, which is configured via the supplied such that if then authentication of the message is enabled, and if authentication of the message is disabled.
Pre-output function
The pre-output function consists of two registers of size 128 bit: NLFSR () and LFSR () along with 2 feedback polynomials and and a boolean function .
In addition to the feedback polynomials, the update functions for the NLFSR and the LFSR are:
The pre-output stream () is defined as:
Initialisation

Upon initialisation we define an of 96 bit, where the dictates the mode of operation.
The LFSR is initialised as:
for
for
The last 0 bit ensures that similar key-IV pairs do not produce shifted versions of each other.
The NLFSR is initialised by copying the entire 128 bit key () into the NLFSR:
for
Start up clocking
Before the pre-output function can begin to output its pre-output stream it has to be clocked 256 times to warm up, during this stage the pre-output stream is fed into the feedback polynomials and .
Key stream
The key stream () and MAC functionality in Grain 128a both share the same pre-output stream (). As authentication is optional our key stream definition depends upon the .
When authentication is enabled, the MAC functionality uses the first bits (where is the tag size) after the start up clocking to initialise. The key stream is then assigned every other bit due to the shared pre-output stream.
If authentication is enabled:
If authentication is disabled:
MAC

Grain 128a supports tags of size up to 32 bit, to do this 2 registers of size is used, a shift register() and an accumulator(). To create a tag of a message where is the length of as we have to set to ensure that i.e. and has different tags, and also making it impossible to generate a tag that completely ignores the input from the shift register after initialisation.
For each bit in the accumulator we at time we denounce a bit in the accumulator as .
Initialisation
When authentication is enabled Grain 128a uses the first bits of the pre-output stream() to initialise the shift register and the accumulator. This is done by:
Shift register:
for
Accumulator:
for
Tag generation
Shift register:
The shift register is fed all the odd bits of the pre-output stream():
Accumulator:
for
Final tag
When the cipher has completed the L iterations the final tag() is the content of the accumulator:
for
References
- 1 2 "Publications by Martin Ågren". Martin Ågren. Retrieved 9 May 2013.