Plate detector (radio)
A plate detector (or anode-bend detector) is a vacuum tube detector circuit used in A.M. radios, although the term is sometimes extended to transistor circuits that similarly rely upon distorted amplification to enhance one half of the received signal over the other. This circuit employs a tube with an indirectly heated cathode, typically a medium-mu triode, or a tetrode or pentode with a sharp cut-off control grid. Partial rectification of R.F. signals occurs in the plate of the detector tube if it is forced into its non-linear region at roughly the zero crossing point of the input signal. This differs from a grid-leak detector, which achieves rectification in the control grid. It also differs from the diode detector circuit commonly used to provide both R.F. rectification and automatic volume control (A.V.C.) bias to the R.F. amplifier tubes.
Overview
Enough negative bias is applied to the grid (or base, for a transistor implementation) to bring the device almost to cut-off point; an incoming signal will cause the device to conduct only on positive-going halves of the input signal... it cannot conduct significantly less during negative halves, so the plate voltage varies at the modulation frequency - going more negative as the input signal envelope increases with the Amplitude Modulation modulating signal.
Plate detectors are used in both T.R.F. and (less commonly) superheterodyne receivers. The grid is connected directly to the secondary of the final R.F. or I.F. transformer. The cathode is connected to ground through a circuit consisting of a parallel-connected bias resistor (usually 10 kΩ to 50 kΩ) and bypass capacitor (usually 0.25 µF to 0.5 µF). When sufficient negative bias is applied to the grid, the plate current is pushed almost to the cut-off point. When a modulated R.F. signal is applied to the grid under these conditions, a corresponding increase in plate current occurs. As the signal amplitude varies, the plate current also varies, causing the plate to act as a diode detector while the tube as a whole also acts as an audio amplifier. A plate bypass capacitor (usually 500 pF to 0.002 µF for triodes, or 250 pF to 0.001 µF for tetrodes and pentodes) is used to regulate plate current.
Like most A.F. amplifiers in radios, the plate voltage is usually less than 60 volts. When a tetrode or pentode is used, the screen grid voltage is usually about one-half the plate voltage.
Plate detector circuits were commonly used from the introduction of indirectly heated cathode tubes in the late 1920s until the start of World War II. As R.F. tubes became more sensitive, grid-leak detectors (which are more sensitive than plate detectors) became less practical. Diode detectors were popular because, unlike plate detector circuits, they could also provide A.V.C. bias. However, the dual-diode/triode and dual-diode/pentode tubes commonly used in these circuits had bulk wholesale costs that were as much as twice the cost of the tubes commonly used as plate detectors. This made plate detector circuits more practical for low-priced radios sold during the depths of the Great Depression.
Because an indirectly heated cathode is required (or a separate negative grid bias battery is needed) for this circuit to operate, it is not used in battery-operated radios.
Controlling volume levels
Plate detector circuits usually lack an A.V.C. bias circuit. In receivers equipped with A.V.C., volume levels are adjusted by a potentiometer (typically 500 kΩ to 2 MΩ audio taper) that controls audio signal levels at the control grid of the A.F. amplifier. In receivers not equipped with A.V.C., the most common connection of the volume control potentiometer (typically 4 kΩ to 15 kΩ linear taper) is as follows:
- The low side of the potentiometer is connected to the antenna connection at the antenna input coil;
- The center wiper is connected to ground (in A.C. receivers) or B- (in A.C./D.C. receivers);
- The high side is connected to the cathode of at least one R.F. amplifier (in T.R.F. receivers) or to the converter and/or the I.F. amplifier (in superheterodyne receivers).
To assure that proper cathode bias is maintained, many non-A.V.C. volume controls are usually equipped with a "stop" that maintains a small amount of resistance between the center wiper and the high end connection.
- Other volume control circuits in non-A.V.C. receivers include:
- A potentiometer (typically 500 kΩ audio taper) where the high end and center wiper are connected as above, but where the low end is connected to the control grid of audio output tube. (In this circuit, the potentiometer replaces the bias resistor for the output tube's control grid);
- A linear taper potentiometer that adjusts the screen grid voltages of the set's R.F. amplifiers (if they are tetrodes or pentodes);
- A linear taper potentiometer connected to the antenna (high end), ground (low end) and the antenna input coil (center wiper).
Because the volume control in non-A.V.C. receivers adjusts R.F. signal levels rather than A.F. signal levels, the volume control must be manipulated while tuning the radio in order to find weak signals.
Tubes commonly used as plate detectors
- 6C6
- 6J7
- 6SJ7
- 12F5
- 12J5
- 12J7
- 12SF5
- 12SJ7
- 24 and 24-A
- 27
- 36
- 37
- 56
- 57
- 76
- 77
Comparison with Alternative Envelope Detectors
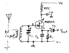
Infinite-Impedance Detector

The Infinite-Impedance Detector is essentially a plate detector where the output is taken from the cathode circuit (or emitter, or drain, for transistor implementations) and so has lower output voltage but low distortion.
As with the standard plate detector, the device is biased almost completely off, and positive-going halves of the input signal cause the device to quickly charge C2 up from the positive power supply but the capacitor can only be discharged slowly via R1, so the circuit acts as a peak detector.
The value of R1 would depend on the JFET or triode chosen, and perhaps be a 200 kilohm preset, adjusted to give lowest distortion in the output signal. The time constant of C2 with R1 would be chosen to fall somewhere between the highest audio (modulation) frequency but well below the lowest carrier (modulated) frequency encountered. The RF filter in the supply line, C4 and the RFC (RF Choke), is less essential than in the original plate detector, but can reduce inter-stage RF interference and instability.
Summary of Differences
| Detector: | Plate detector | Infinite-impedance detector | Grid-leak detector | Diode detector | Precision Rectifier |
|---|---|---|---|---|---|
| Suitable for Directly-Heated tubes | No | No | Yes | Yes | Unlikely |
| Suitable for AGC production | No (offset voltage too high) | No (positive-going) | No (offset voltage too high) | Yes | Yes |
| Typical Distortion | Medium | Low | Medium | Medium | Low |
| Loading of tuned circuit | Low (unless Miller effect significant) | Very Low | Medium | High | Medium (Usually) |
| Quiescent current | Very low | Very low | High | Low or None (unless bias is applied to overcome Vf drop) | High (depends on op-amp employed) |
| Voltage Gain | Medium | Unity (but some gain from Q of unloaded LC circuit) | High | Low | Unity (usually) |
| Maximum usable frequency | High (Miller effect limitations) |
can be used at VHF | High | UHF and beyond (with appropriate diodes) | Low (slew rate limited) |
| Circuit Complexity | Low | Low | Low | Lowest | Highest |
| Most commonly found in: | Old short-wave receivers | High fidelity AM tuners | Single-tube regenerative receivers | Most AM receivers (from crystal sets to mass-produced transistor radios) | Test equipment |
External links
- Schematics of Packard Bell models 35A and 65. Two typical superheterodyne radios with a triode plate detector. Sold by Packard Bell in the early 1930s.
- Schematic of "Silvertone" models 6114 and 6115. A typical T.R.F. radio with a pentode plate detector. Sold by Sears Roebuck in 1939.