Potentiostat

A potentiostat is the electronic hardware required to control a three electrode cell and run most electroanalytical experiments. A Bipotentiostat and polypotentiostat are potentiostats capable of controlling two working electrodes and more than two working electrodes, respectively.[1][2][3][4]
The system functions by maintaining the potential of the working electrode at a constant level with respect to the reference electrode by adjusting the current at an auxiliary electrode. It consists of an electric circuit which is usually described in terms of simple op amps.
Primary use
This equipment is fundamental to modern electrochemical studies using three electrode systems for investigations of reaction mechanisms related to redox chemistry and other chemical phenomena. The dimensions of the resulting data depend on the experiment. In voltammetry, electric current in amps is plotted against electric potential in voltage. In a bulk electrolysis total coulombs passed (total electric charge) is plotted against time in seconds even though the experiment measures electric current (amperes) over time. This is done to show that the experiment is approaching an expected number of coulombs.
Most early potentiostats could function independently, providing data output through a physical data trace. Modern potentiostats are designed to interface with a personal computer and operate through a dedicated software package. The automated software allows the user rapidly to shift between experiments and experimental conditions. The computer allows data to be stored and analyzed more effectively, rapidly, and accurately than historic methods.
Basic relationships
A potentiostat is a control and measuring device. It comprises an electric circuit which controls the potential across the cell by sensing changes in its resistance, varying accordingly the current supplied to the system: a higher resistance will result in a decreased current, while a lower resistance will result in an increased current, in order to keep the voltage constant as described by Ohm's law.
As a result, the variable system resistance and the controlled current are inversely proportional
-
- is the output electric current of the potentiostat
- is the voltage that is kept constant
- is the electrical resistance that varies.
Principles of Operation
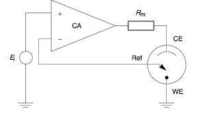
Since 1942, when Hickling built the first three electrode potentiostat,[5] substantial progress has been made to improve the instrument. Hickling's device used a third electrode, the reference electrode to control the cell potential automatically. Up until the present day his principle has remained in use. At a glance, a potentiostat measures the potential difference between the working and the reference electrode, applies the current through the counter electrode and measures the current as an voltage drop over a series resistor ( in Fig. 1).
The control amplifier (CA) is responsible for maintaining the voltage between the reference and the working electrode as closely as possible to the voltage of the input source . It adjusts its output to automatically control the cell current so that a condition of equilibrium is satisfied. The theory of operation is best understood using the equations below.
Prior to observing the following equations, one may note that, from an electrical point of view, the electrochemical cell and the current measurement resistor may be regarded as two impedances (Fig. 2). includes in series with the interfacial impedance of the counter electrode and the solution resistance between the counter and the reference. represents the interfacial impedance of the working electrode in series with the solution resistance between the working and the reference electrodes.

The role of the control amplifier is to amplify the potential difference between the positive (or noninverting) input and the negative (or inverting) input. This may be translated mathematically into the following equation:
- . (1)
where is the amplification factor of the CA. At this point the assumption may be made that a negligible amount of current is flowing through the reference electrode. This correlates to physical phenomenon since the reference electrode is connected to a high impedance electrometer. Thus, the cell current may be described in two ways:
- , (2)
and
- . (3)
Combining Eqs. (2) and (3) yields Eq. (4):
- (4)
where is the fraction of the output voltage of the control amplifier returned to its negative input; namely the feedback factor:
- .
Combining Eqs. (1) and (4) yields Eq. (6):
- . (6)
When the quantity becomes very large with respect to one, Eq. (6) reduces to Eq. (7), which is one of the negative feedback equations:
- . (7)
Eq. (7) proves that the control amplifier works to keep the voltage between the reference and the working close to the input source voltage.
Significant features
In electrochemical experiments the electrodes are the pieces of equipment that comes in immediate contact with the analyte. For this reason the electrodes are very important for determining the experimental result. The electrode surface may or may not catalyze chemical reactions. The size of the electrodes affects the magnitude of the currents passed which can affect signal to noise. But electrodes are not the only limiting factor for electrochemical experiments, the potentiostat also has a limited range of operation. The following are a few significant features that vary between instruments.
- Electric potential range (measured and applied): while the potential window is mostly based on the solvent window the electronics can also limit the possible range.
- Accuracy in potential (measured and applied): limits of deviations between the actual and reported.
- Range of scan rate: how slow or fast a potential window can be scanned this is most important for experiments that require high scan rates such as those involving ultramicroelectrodes.
- Sample rate: the rate at which potential or voltage can be accurately sampled. This can be important for experiments that need high scan rates such as those involving ultramicroelectrodes.
- File size: a limiting factor can be the file size limit. This would most likely affect the choice of the potential range swept or the potential sample rate.
- Electric current range (measured and applied): the maximum range over which current can be sampled. Applying large currents is important for experiments that pass a great deal of current like a large bulk electrolysis. Measuring small currents is important for experiments that pass small currents like those involving ultramicroelectrodes.
- Current resolution: determines the operational range of a specific experiment and the bit resolution of that data in the current dimension.
- Accuracy in current (measured and applied): limits of deviations between the actual and reported.
- Number of working channels: how many working electrodes can the instrument control. A bipotentiostat is necessary to controlling systems with two working electrodes like a rotating ring-disk electrode. A polypotentiostat may be important for controlling some biological experiments with three or more working electrodes.
- Footprint: potentiostats include small devices of about 20 x 10 x 5 cm weighing well under a kilogram or a simple board that can be installed in a desktop computer. A large bench-top model would be on the order of 50 x 20 x 10 cm and weigh up to or more than 5 kilograms.
- Interface: can the instrument run independently or must they be slaved to a personal computer.
- Sweep generator: can the system apply an analogue sweep or does it use a digital staircase generator as an approximation. If it does use a digital staircase then the resolution of the staircase is important.
- Rotating electrode: can the instrument operate a rotating electrode. This is intrinsic for experiments that require a rotating disk electrode or rotating ring-disk electrode.
See also
References
- ↑ Bard, A.J.; Faulkner, L.R. Electrochemical Methods: Fundamentals and Applications. New York: John Wiley & Sons, 2nd Edition, 2000 ISBN 0-471-40521-3.
- ↑ Cynthia G. Zoski (Editor) Handbook of Electrochemistry. Elsevier, 2007 ISBN 0-444-51958-0
- ↑ Peter T. Kissinger, William R. Heineman Laboratory Techniques in Electroanalytical Chemistry. CRC Press, 1996 ISBN 0-8247-9445-1
- ↑ Douglas A. Skoog, F. James Holler, Timothy A. Nieman Principles of Instrumental Analysis. Harcourt Brace College Publishers, 1998 ISBN 0-03-002078-6.
- ↑ Hickling, A. (1942). "Studies in electrode polarisation. Part IV.-The automatic control of the potential of a working electrode". Transactions of the Faraday Society. 38: 27–33. doi:10.1039/TF9423800027.
Further reading
- "An Inexpensive Field-Portable Programmable Potentiostat". The Chemical Educator. doi:10.1333/s00897050972a. Retrieved 2008-10-06.
- Staicopoulos, D. N. (1961). "High Current Electronic Potentiostat". Review of Scientific Instruments. 32 (2): 176. Bibcode:1961RScI...32..176S. doi:10.1063/1.1717304.
- "A cost-effective and field-ready potentiostat that poises subsurface electrodes to monitor bacterial respiration". Biosensors and Bioelectronics. 32 (1): 309–313. 2012. doi:10.1016/j.bios.2011.12.013.
External links
- Genady Ragoisha (webmaster), "potentiodynamic electrochemical impedance spectroscopy (PDEIS)", Physico-Chemical Research Institute, Belarusian State University. A description of the use of a potentiostat in virtual instrumentation for electrochemical experiments.
- Pierre R. Roberge (Webmaster) "Potentiostat", corrosion-doctors.org Electrochemistry Dictionary.
- "CheapStat: An Open-Source, “Do-It-Yourself” Potentiostat...", Aaron A. Rowe et al., University of California Santa Barbara
- Potentiostat stability mystery explained
- Potentiostat Fundamentals