Royer oscillator
A Royer oscillator is an electronic relaxation oscillator that employs a saturable-core transformer. It was invented and patented in 1954 by George H. Royer.[1] It has the advantages of simplicity, low component count, rectangle waveforms, and easy transformer isolation. By making maximum use of the transformer core, it also minimises the size and weight of the transformer. The classic Royer circuit outputs square waves; a modified version, essentially by adding a capacitor, turns it into a harmonic oscillator, outputting sine waves. Both versions are widely used, mainly as power inverters.
Circuit description

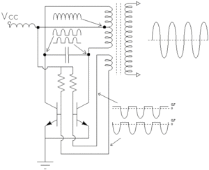
The circuit consists of a saturable-core transformer with a center-tapped primary winding, a feedback winding and (optionally) a secondary winding. The two halves of the primary are driven by two transistors in push-pull configuration. The feedback winding couples a small amount of the transformer flux back in to the transistor bases to provide positive feedback, generating oscillation. The oscillation frequency is determined by the maximum magnetic flux density, the power supply voltage, and the inductance of the primary winding.
The basic Royer generates square wave output.[2]
The need to use a saturable-core limits the choice of core material. Some common materials are:
| Core material | Saturation Flux Density / G | Core Losses W/cm3 at 50 kHz |
|---|---|---|
| Toshiba MB | 6000 | 0.49 |
| Metglas2714A | 6000 | 0.62 |
| Square Permalloy 80 (0.5 mil) | 7800 | 0.98 |
| Square Permalloy 80 (1 mil) | 7800 | 4.2 |
| Fairite Type 84 | 4000 | 4 |
Current mode operation
A drawback of the voltage mode operation is that the stress on switch transistors is high during the cross over time, when both the voltage and current are high. This drawback is alleviated by using current mode operation. This is achieved by inserting an inductor in the transformer center tap supply. This inductor drops the center tap voltage down when the dI/dt would be very high in voltage mode. This improved version is called current-fed Royer oscillator in some books.[3]
Applications (and sine-wave variants)

The classic Royer oscillator circuit (with or without current drive) is used in some DC–AC inverters where square wave output is acceptable for the load. It was also heavily used in the 1970s in switching power supplies (by rectifying the output) and typically implemented with bipolar transistors.[4] This circuit relies solely on transformer core saturation to cause switching between the two states.

There is some confusion in the literature between square-wave-output, classic Royer circuits and variants that output sine (or near-sine[5]) waves.[6] The latter variants (sometimes termed "resonant Royer") additionally employ a capacitor in parallel with the (center-tapped) transformer primary, which together form a (resonant) LC tank; such a circuit was used for example in driving the CRT of the Tektronix 547 oscilloscope.[7] A circuit employing a similar idea appears in a 1973 patent assigned to Bell Telephone Laboratories[8] and even in a 1959 conference paper by P.J. Baxandall.[9] A more contemporary application of the resonant Royer is in powering CCFLs. CCFLs exhibit a degradation in their current-to-light output efficiency in the presence of harmonics, so the sinusoidal (resonant) version of the Royer circuit is the one used to drive them.[10] In order to provide light intensity adjustment, an integrated circuit typically drives a pulse-width modulated signal in the bases of the transistors in this application.[11]
References
- ↑ Royer oscillator circuit United States Patent 2783384
- ↑ Pressman et al., p. 266
- ↑ Pressman et al., p. 271
- ↑ Mike Golio (2010). The RF and Microwave Handbook. CRC Press. p. "3–66". ISBN 978-1-4200-3676-3.
- ↑ http://datasheets.maximintegrated.com/en/ds/MAX1739-MAX1839.pdf
- ↑ EDN letter exchange "A Royer by any other name" between Bryce Hesterman and Jim Williams. Published on November 21, 1996.
- ↑ Jim Williams (1998). The Art and Science of Analog Circuit Design. Newnes. p. 145. ISBN 978-0-08-049943-7.
- ↑ United States Patent 3818314
- ↑ P.J. Baxandall, "Transistor Sine-Wave LC Oscillators", International Convention on Transistors and Associated Semiconductor Devices, 25 May 1959, fig 5, p. 751
- ↑ Williams (1998), p. 157
- ↑ Williams (1998), pp. 157-158
Further reading
- Abraham Pressman; Keith Billings; Taylor Morey (2009). Switching Power Supply Design, 3rd Ed. McGraw Hill Professional. pp. 266–278. ISBN 978-0-07-159432-5. Has a detailed analysis of the FET version of the (classic) Royer oscillator.
- Johnson I. Agbinya, ed. (2012). Wireless Power Transfer. River Publishers. pp. 187–193. ISBN 978-87-92329-23-3. Contains an analytic derivation of the formulas for the resonant Royer circuit and a comparison with data measured from an actual circuit (using MOSFETs).
- Royer, G. H. (1955). "A switching transistor D-C to A-C converter having an output frequency proportional to the D-C input voltage". Transactions of the American Institute of Electrical Engineers, Part I: Communication and Electronics. 74 (3): 322. doi:10.1109/TCE.1955.6372293.. A 1955 paper by Royer on his circuit.
- George Henry (2000), "LX1686 Direct Drive CCFL Inverter Design". Microsemi Application Note AN-13. Contains a critique of the resonant Royer as used in CCFL applications (and proposes another inverter design).