Ryan Tower

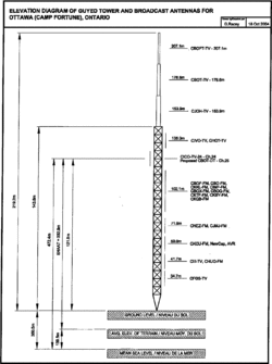
Elevation drawing of Ryan Tower

Ryan Tower was a 228.9-metre (751 ft) tall guyed mast on the Clifford Slope of Camp Fortune in Chelsea, Quebec, Canada.

History

Sponsored by CFRA-FM owner Frank Ryan, the tower was erected at the foot of the Carp Ridge near the town of Hazeldean, Ontario (present-day Ottawa), by helicopter in 1961. Its top was 580 metres (1,900 ft) above sea level, making it the highest point in the Ottawa/Gatineau area and was an easy-to-spot landmark. The tower would later be disassembled and relocated to the Camp Fortune site for improved coverage.

The old tower (painted red and white to comply with Transport Canada and Department of Communications Regulations Concerning Broadcast Towers)[1] was taken down on November 4, 2012 and the current gray tower visible at the Camp Fortune site is actually the nearby replacement tower.

It stood as the 15th tallest guyed structure in Canada, and provided a large portion of the Ottawa Valley's broadcast television and radio signals.

Stations broadcast from Ryan Tower

FM radio stations broadcasting from the Ryan Tower included:

Television stations broadcasting from the Ryan Tower included:

Tower replacement

The Frank Ryan Tower was taken down by crane using cutting saws on Sunday, November 4, 2012. Its digital television and FM radio antennas were displaced to a new tower.[2]

See also

References

External links

Coordinates: 45°30′09″N 75°51′0″W / 45.50250°N 75.85000°W / 45.50250; -75.85000


This article is issued from Wikipedia - version of the 10/20/2016. The text is available under the Creative Commons Attribution/Share Alike but additional terms may apply for the media files.