Antenna tuner

Inside of antenna tuner, viewed from above
Automatic ATU for amateur transceiver

An antenna tuner, a matchbox, transmatch, antenna tuning unit (ATU), or antenna coupler is a device connected between a radio transmitter or receiver and its antenna to improve power transfer between them by matching the impedance of the radio to the antenna's feedline. Similar matching networks are used in other equipment (such as linear amplifiers) to transform impedance.

An antenna's impedance is different at different frequencies. An antenna tuner matches a radio with a fixed impedance (typically 50 Ohms for modern transceivers) to the combination of the feedline and the antenna; useful when the antenna's feedline impedance is unknown, complex, or otherwise different from the transceiver. Coupling through an ATU allows the use of one antenna on a broad range of frequencies. However, despite its name, an antenna ‘tuner ’ actually matches the transmitter only to the complex impedance reflected back to the input end of the feedline. If both tuner and transmission line were lossless, tuning at the transmitter end would produce a match at every point in the transmitter/feedline/antenna system.[1] With practical systems, feed line losses limit the ability of the antenna ‘tuner’ to match the antenna or change its resonant frequency.

If the loss of power is very low in the line carrying the tranmitter's signal into the antenna, a tuner at the transmitter end can produce a worthwhile degree of matching and tuning for the antenna and feedline network as a whole.[2][3] With lossy feedlines, maximum power transfer only occurs if matching is done at both ends of the line.[4]

If there is still a high SWR (multiple reflections) in the feedline beyond the ATU, any loss in the feedline is multiplied several times by the transmitted waves reflecting back and forth between the tuner and the antenna, heating the wire instead of sending out a signal. Even with a matching unit at both ends of the feedline the near ATU matching the transmitter to the feedline and the remote ATU matching the feedline to the antenna losses in the circuitry of the two ATUs will reduce power delivered to the antenna. Therefore, operating an antenna far from its design frequency and compensating with a transmatch between the transmitter and the feedline is not as efficient as using a resonant antenna with a matched-impedance feedline, nor as efficient as a matched feedline from the transmitter to a remote antenna tuner attached directly to the antenna.

Broad band matching methods

Transformers, autotransformers, and baluns are sometimes incorporated into the design of narrow band antenna tuners and antenna cabling connections. They will all usually have little effect on the resonant frequency of either the antenna or the narrow band transmitter circuits, but can widen the range of impedances that the antenna tuner can match, and/or convert between balanced and unbalanced cabling where needed.

Ferrite transformers

Solid-state power amplifiers operating from 130 MHz typically use one or more wideband transformers wound on ferrite cores. MOSFETs and bipolar junction transistors are designed to operate into a low impedance, so the transformer primary typically has a single turn, while the 50 Ohm secondary will have 2 to 4 turns. This feedline system design has the advantage of reducing the retuning required when the operating frequency is changed. A similar design can match an antenna to a transmission line; For example, many TV antennas have a 300 Ohm impedance and feed the signal to the TV via a 75 Ohm coaxial line. A small ferrite core transformer makes the broad band impedance transformation. This transformer does not need, nor is it capable of adjustment. For receive-only use in a TV the small SWR variation with frequency is not a major problem.

It should be added that many ferrite based transformers perform a balanced to unbalanced transformation along with the impedance change. When the balanced to unbalanced function is present these transformers are called a balun (otherwise an unun). The most common baluns have either a 1:1 or a 1:4 impedance transformation.

Autotransformers

There are several designs for impedance matching using an autotransformer, which is a single-wire transformer with different connection points or taps spaced along the windings. They are distinguished mainly by their impedance transform ratio (1:1, 1:4, 1:9, etc., the square of the winding ratio), and whether the input and output sides share a common ground, or are matched from a cable that is grounded on one side (unbalanced) to an ungrounded (usually balanced) cable. When autotransformers connect balanced and unbalanced lines they are called baluns, just as two-winding transformers. When two differently-grounded cables or circuits must be connected but the grounds kept independent, a full, two-winding transformer with the desired ratio is used instead.

Schematic diagram of automatic transformer
1:1, 1:4 and 1:9 autotransformer

The circuit pictured at the right has three identical windings wrapped in the same direction around either an "air" core (for very high frequencies) or ferrite core (for middle, or low frequencies). The three equal windings shown are wired for a common ground shared by two unbalanced lines (so this design is called an unun), and can be used as 1:1, 1:4, or 1:9 impedance match, depending on the tap chosen. (The same windings could be wired differently to make a balun instead.)

For example, if the right-hand side is connected to a resistive load of 10 Ohms, the user can attach a source at any of the three ungrounded terminals on the left side of the autotransformer to get a different impedance. Notice that on the left side, the line with more windings measures greater impedance for the same 10 Ohm load on the right.

Narrow band design

The "narrow-band" methods described below cover a very much smaller span of frequencies, by comparison with the broadband methods described above.

Antenna matching methods that use transformers tend to cover a wide range of frequencies. A single, typical, commercially available balun can cover frequencies from 3.530.0 MHz, or nearly the entire shortwave radio band. Matching to an antenna using a cut segment of transmission line (described below) is perhaps the most efficient of all matching schemes in terms of electrical power, but typically can only cover a range of about 3.53.7 MHz a very small range indeed, compared to a broadband balun. Antenna coupling or feedline matching circuits are also narrowband for any single setting, but can be re-tuned more conveniently. However they are perhaps the least efficient in terms of power-loss (aside from having no impedance matching at all!).

Transmission line antenna tuning methods

The insertion of a special section of transmission line, whose characteristic impedance differs from that of the main line, can be used to match the main line to the antenna. An inserted line with the proper impedance and connected at the proper location can perform complicated matching effects with very high efficiency, but spans a very limited frequency range.[5]

The simplest example this method is the quarter-wave impedance transformer formed by a section of mismatched transmission line. If a quarter-wavelength of 75 Ohm coaxial cable is linked to a 50 Ohm load, the SWR in the 75 Ohm quarter wavelength of line can be calculated as 75Ω / 50Ω = 1.5; the quarter-wavelength of line transforms the mismatched impedance to 112.5 Ohm (75 Ohm × 1.5 = 112.5 Ohm). Thus this inserted section matches a 112 Ohm antenna to a 50 Ohm main line.

The 1/6 wavelength coaxial transformer [6] is a useful way to match 50 to 75 ohms using the same general method. A more theoretical discussion by the inventor and wider application of the method is found here.[7]

A second common method is the use of a stub. A shorted, or open section of line is connected in parallel with the main line. With coax this is done using a Tee connector. The length of the stub and its location can be chosen so as to produce a matched line below the stub, regardless of the complex impedance or SWR of the antenna itself.[8] The J-pole antenna is an example of a stub matched antenna.

Basic lumped circuit matching using the L network

The basic circuit required when lumped capacitances and inductors are used is shown below. This circuit is important in that many automatic antenna tuners use it, and also because more complex circuits can be analyzed as groups of L networks.

Schematic diagram of basic matching network
Basic network

This is called an L network not because it contains an inductor, (in fact some L networks consist of two capacitors), but because the two components are at right angles to each other, having the shape of a rotated and sometimes reversed English letter L. The T (or Tee) network and the Pi (π) networks also have a shape similar to the English and Greek letters they are named after.

This basic network is able to act as an impedance transformer. If the output has an impedance consisting of Rload and jXload, while the input is to be attached to a source which has an impedance of Rsource and jXsource

Then

and

In this example, circuit XL and Xc can be swapped. All the ATU circuits below create this network, which exists between systems with different impedances.

For instance, if the source has a resistive impedance of 50Ω and the load has a resistive impedance of 1000Ω:

If the frequency is 28 MHz,

As,

then,

So,

While as,

then,

Theory and practice

A parallel network, consisting of a resistive element (1000Ω) and a reactive element (-j 229.415Ω), will have the same impedance and power factor as a series network consisting of resistive (50Ω) and reactive elements (-j 217.94Ω).

Schematic diagrams of two matching networks with the same impedance
Two networks in a circuit; both have the same impedance

By adding another element in series (which has a reactive impedance of +j 217.94), the impedance is 50Ω (resistive).

Schematic diagrams of three matching networks, all with the same impedance
Three networks in a circuit, all with the same impedance

Types of L networks and their use

The L-network can have eight different configurations, six of which are shown here. The two missing configurations are the same as the bottom row, but with the parallel element (wires vertical) on the right side of the series element (wires horizontal), instead of as shown, with the parallel element on the left.

In discussion of the diagrams that follows the in connector comes from the transmitter or "source"; the out connector goes to the antenna or "load".

The general rule (with some exceptions, described below) is that the series element of an L-network goes on the side with the lowest impedance.[9] So for example, the three circuits in the left column and the two in the bottom row have the series (horizontal) element on the out side are generally used for stepping up from a low-impedance input (transmitter) to a high-impedance output (antenna), similar to the example analyzed in the section above. The top two circuits in the right column, with the series (horizontal) element on the in side, are generally useful for stepping down from a higher input to a lower output impedance.

The general rule only applies to loads that are mainly resistive, with very little reactance. In cases where the load is highly reactive such as an antenna fed with a signals whose frequency is far away from any resonance the opposite configuration may be required. If far from resonance, the bottom two step down (high-in to low-out) circuits would instead be used to connect for a step up (low-in to high-out that is mostly reactance).[10]

The low- and high-pass versions of the four circuits shown in the top two rows use only one inductor and one capacitor. Normally, the low-pass would be preferred with a transmitter, in order to attenuate harmonics, but the high-pass configuration may be chosen if the components are more conveniently obtained, or if the radio already contains an internal low-pass filter, or if attenuation of low frequencies is desirable for example when a local AM station broadcasting on a medium frequency may be overloading a high frequency receiver.

The Low R, high C circuit is shown feeding a short vertical antenna, such as would be the case for a compact, mobile antenna or otherwise on frequencies below an antenna's lowest natural resonant frequency. Here the inherent capacitance of a short, random wire antenna is so high that the L-network is best realized with two inductors, instead of aggravating the problem by using a capacitor.

The Low R, high L circuit is shown feeding a small loop antenna. Below resonance this type of antenna has so much inductance, that more inductance from adding a coil would make the reactance even worse. Therefore the L-network is composed of two capacitors.

An L-network is the simplest circuit that will achieve the desired transformation; for any one given antenna and frequency, once a circuit is selected from the eight possible configurations (of which six are shown above) only one set of component values will match the in impedance to the out impedance. In contrast, the circuits described below all have three or more components, and hence have many more choices for inductance and capacitance that will produce an impedance match. The radio operator must exercise judgement to choose among the many adjustments that produce the same impedance match.

More complex ATU designs

Unbalanced Line Tuners

High Pass T network

Schematic diagram of the High Pass T network
T-network transmatch

This configuration, although capable of matching a large impedance range, is a high-pass filter and will not attenuate spurious radiation above the cutoff frequency as much as the other types. Due to its low losses and simplicity, many home built and commercial manually tuned ATUs use this circuit.

Theory and practice

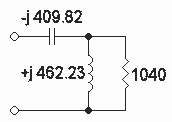
If a source impedance of 200Ω and a resistive load of 1000Ω is connected (via a capacitor with an impedance of -j200Ω) to the inductor of the transmatch, vector mathematics can transform this into a parallel network consisting of a resistance of 1040 Ω and a capacitor with an admittance of 1.9231 x 10−4 (Xc = 5200Ω).

In the following calculations, all phase angles are expressed in degrees rather than radians. A resistive load (RL) of 1000Ω is in series with Xc -j 200 Ω.

Phase angle

Y = 1/Z = 9.8058 x 10−4

To convert to a parallel network

If the reactive component is ignored, a 1040Ω-to-200Ω transformation is needed (according to the equations above, an inductor of +j507.32Ω). If the effect of the capacitor (from the parallel network) is taken into account, an inductor of +j462.23Ω is needed. The system can then be mathematically transformed into a series network of 199.9Ω resistive and +j409.82Ω.

A capacitor (-j409.82) is needed to complete the network. The steps are shown here. Hover over each circuit for captions.

Π network

A π ( pi )-network can also be used. This ATU has very good attenuation of harmonics, but for multiband tuners the standard pi is not popular, since the variable capacitors are impractically large for the lower Amateur bands.

Schematic diagram of pi-network antenna tuner
The PI Network

A modified version of the pi network is more practical as it uses a fixed input capacitor which can be several thousand picofarads while allowing the two variable capacitors to be smaller. A band switch selects the input capacitor and inductor.[11] This circuit was used in tuners covering 1.8 to 30 MHz made by the R. L. Drake Company.

Modified pi network circuit used in Drake tuners.

Ultimate Transmatch

Originally, the Ultimate Transmatch was promoted as a way to make the components more manageable at the lowest frequencies of interest and also to get some harmonic attenuation. The Ultimate Transmatch network resembles an SPC tuner with the input and output reversed. It is now considered obsolete; the design goals were better realized with the Series-Parallel Capacitor (SPC) network, shown below, which was designed after the name Ultimate had already been used.

SPC tuner

The Series Parallel Capacitor or SPC tuner can serve both as an antenna coupler and as a preselector.

Schematic diagram of SPC antenna tuner
SPC transmatch

A simplified description of the SPC follows: In the diagram above, the upper capacitor on the right matches impedance to the antenna, and the single capacitor on the left matches impedance to the transmitter. The coil and the lower-right capacitor form a tank circuit that drains to ground out-of-tune signals. The coil is usually also adjustable (not shown), in order to widen or narrow the band-pass and to ensure that the ganged right-hand capacitors will be able to both match to the antenna and tune to the transceiver's operating frequency without compromising one or the other.

The functional description of the components is roughly correct, but too simple. In actual operation, the inductor and all of the capacitors interact to produce the overall result. As is true for all electrical schematics, the components all have small ‘parasitic’ impedances that affect the circuit at frequencies far above or below the design frequency.

Balanced line tuners

Balanced (open line) transmission lines require a tuner that has two "hot" output terminals, rather than one hot terminal and ground. Since all modern transmitters have unbalanced (co-axial) output almost always 50 ohms the most efficient system has the tuner provide a balun (balanced to unbalanced) transformation as well as providing an impedance match. The tuner usually includes a coil, and the coil can accept or produce either balanced or unbalanced input or output, depending on where the tap points are placed on the coil.

The following balanced circuit types have been used for tuners.

Referring to the diagram at the right, the Fixed Link with Taps is the most basic circuit. The factor will be nearly constant and is set by the number of relative turns on the input link. The match is found by tuning the capacitor and selecting taps on the main coil, which may be done with a switch accessing various taps or by physically moving clips from turn to turn. If the turns on the main coil are changed to move to a higher or lower frequency, the link turns should also change.

The Hairpin tuner[12] has the same circuit, but uses a hairpin (transmission line) inductor. Moving the taps along the hairpin allows continuous adjustment of the impedance transformation, which is difficult with a solenoid coil. It is useful for very short wavelengths from about 10 meters to 70 cm (frequencies about 30 MHz to 430 MHz) where the solenoid inductor would have too few turns to allow fine adjustment. These tuners typically operate over at most a 2:1 frequency range.

Series Cap with Taps. Adding a series capacitor to the input side of the Fixed Link with Taps allows fine adjustment with fewer taps on the main coil. An alternate connection for the series cap circuit is useful for low impedances only, but avoids the taps (For Low Z lines on the diagram).

Swinging Link with Taps. A swinging link inserted into the Fixed Link With Taps also allows fine adjustment with fewer coil taps. The swinging link is a form of variable transformer, that moves the input coil in and out of the space between turns in the main coil to change their mutual inductance. The variable inductance makes these tuners more flexible than the basic circuit, but at some cost in complexity.

Fixed Link with Differential Capacitors. The circuit with differential capacitors was the design used for the well-regarded Johnson Matchbox tuners. The four output capacitors (C2) are ganged, and as the top and bottom caps increase in value the two middle caps decrease in value. This provides a smooth change of loading that is equivalent to moving taps on the main coil. The Johnson Matchbox used a band switch to change the turns on the main and link inductors for each of the five frequency bands available to hams in the 1950s. The design has been criticized since the two middle-section capacitors in C2 are not strictly necessary to obtain a match; however, they conveniently reduce the disturbance that changes to C2 cause for the adjustment of C1.

Unbalanced tuner and a balun

Another approach to feeding balanced lines is to use an unbalanced tuner with a balun on either the input (transmitter) or output (antenna) side of the tuner. Most often using the popular high pass T circuit described above, with a 1:1 current balun on one side of the unbalanced tuner or the other.

Any balun placed on the output (antenna) side of a tuner must be built to withstand high voltage and current stresses, because of the wide range of impedances it must handle.[13] The balun requirements are more modest when if it is put on the input (transmitter) side of the tuner, between the tuner and the receiver, since it operates at a constant impedance, but this introduces complications.

If an unbalanced tuner is fed with a balanced line from a balun instead of directly from the transmitter, then as usual its normal antenna connection the center wire of its output coaxial cable provides the signal to the antenna, for one side. However the ground side of that same output connection must feed an equal and opposite current to the other side of the antenna. The antenna and transmitter ground voltages lie halfway between the two "hot" feeds. In order to manage this, the common side (chassis ground) of the tuner circuit must "float", as it will be used to feed one of the hot output terminals.[14] The high voltages present between this floating ground and the transmitter and antenna grounds can lead to arcing and electric shock.

To protect the operator and the equipment, and reduce power loss, an outer chassis must enclose the tuning circuit and its floating ground. The inner chassis can be reduced to a mounting platform within the outer chassis, elevated on insulators to separate the floating ground from contact with the other electrical grounds. In particular, the inner tuning circuit's metal mounting chassis, and the metal rods connected to adjustment knobs on the outer chassis must all be kept separate from the surface touched by the operator and from direct electrical contact with the transmitter's ground on its connection cable. This puts difficult constraints on the tuner's construction.

Z match

The Z match tuner response

The Z-Match is a widely used ATU in amateur radio.[15][16] This tuner uses a transformer on the output side, and thus can be easily used with either balanced or unbalanced transmission lines. It is limited in power output by the core used for the output transformer. The Z match has two distinct resonant frequencies, enabling it to cover a wide frequency range without switching the inductor.

Antenna system losses

Loss in Antenna tuners

Gray cabinet front panel with knobs, meter and switches
Antenna tuner front view, with partially exposed interior

Every means of impedance match will introduce some power loss. This will vary from a few percent for a transformer with a ferrite core, to 50% or more for a complex ATU that is improperly tuned or working at the limits of its tuning range.[17]

With the narrow band tuners, the L network has the lowest loss, partly because it has the fewest components, but mainly because it operates at the lowest possible for a given impedance transformation. With The L network, the loaded is not adjustable, but is defined once the source and load impedances are set. Since most of the loss in practical tuners will be in the coil, choosing either the low-pass or high-pass network may reduce the loss somewhat. The L-network using only capacitors will have the lowest loss, but this network only works where the load impedance is very inductive, as occurs with a small loop antenna or a wire antenna that is between a quarter and a half wave long.

With the high-pass T network, the loss in the tuner can vary from a few percent if tuned for lowest loss to over 50% if the tuner is not properly adjusted. Using the maximum available capacitance will give less loss, than if one simply tunes for a match without regard for the settings.[18] This is because using more capacitance means using less inductor turns, and the loss is mainly in the inductor.

With the SPC tuner the losses will be somewhat higher than with the T network, since the added capacitance across the inductor will shunt some reactive current to ground which must be cancelled by additional current in the inductor.[19] The trade-off is that the effective inductance of the coil is increased, thus allowing operation at lower frequencies than would otherwise be possible.

If additional filtering is desired, the inductor can be deliberately set to larger values, thus providing a partial band pass effect.[20] Either the high-pass T, low-pass π, or the SPC tuner can be adjusted in this manner. The additional attenuation at harmonic frequencies can be increased significantly with only a small percentage of additional loss at the tuned frequency. Note that when adjusted for minimum loss the SPC tuner will have better harmonic rejection than the high-pass T, due to the shunt capacitor. Either type is capable of good harmonic rejection if additional loss is acceptable. The low-pass π has exceptional harmonic attenuation at any setting, including the lowest-loss.

ATU location

An ATU will be inserted somewhere along the line connecting the radio transmitter or receiver to the antenna.[21] The antenna feedpoint is usually high in the air (for example, a dipole antenna) or far away (for example, an end-fed random wire antenna). A transmission line, or feedline, must carry the signal between the transmitter and the antenna. The ATU can be placed anywhere along the feedline: at the transmitter, at the antenna, or somewhere in between.

Antenna tuning is best done as close to the antenna as possible to minimize loss, increase bandwidth and reduce voltage and current on the transmission line. Also, when the information being transmitted has frequency components whose wavelength is a significant fraction of the electrical length of the feed line, distortion of the transmitted information will occur if there are standing waves on the line. Analog TV and FM stereo broadcasts are affected in this way. For those modes, matching at the antenna is required.

When possible, an automatic or remotely-controlled tuner in a weather-proof case at or near the antenna is convenient and makes for an efficient system. With such a tuner, it is possible to match a wide range of antennas[22] (including stealth antennas).[23][24]

When the ATU must be located near the radio for convent adjustment, any significant SWR will increase the loss in the feedline. For that reason, when using an ATU at the transmitter, low-loss, high-impedance feedline is a great advantage – open-wire line, for example. A short length of low-loss coaxial line is acceptable, but with longer lossy lines the additional loss due to SWR becomes very high.[25]

It is very important to remember that when matching the transmitter to the line, as is done when the ATU is near the transmitter, there is no change in the SWR in the feedline. The result is higher loss, higher voltage or higher currents, and narrowed bandwidth, all of which are not corrected by the ATU.

Standing wave ratio

Backlit cross-needle SWR meter
Cross-needle SWR meter on antenna tuner

It is a common misconception that a high standing wave ratio (SWR) per se causes loss.[2] A well-adjusted ATU feeding an antenna through a low-loss line may have only a small percentage of additional loss compared with an intrinsically matched antenna, even with a high SWR (4:1, for example).[26] An ATU sitting beside the transmitter just re-reflects energy reflected from the antenna (or backlash  current) back yet again along the feedline to the antenna.[2] High losses arise from RF resistance in the feedline and antenna, and those multiple reflections due to high SWR cause feedline losses to be compounded.

Using low-loss feedline with an ATU leads to very little loss, despite multiple reflections. However, if the feedline-antenna combination is "lossy", then an identical high SWR may loose a considerable fraction of the transmitter's power output. High impedance lines such as most balanced lines carry power mostly by high voltage rather than high current, so when high SWR is present there is very little loss in high-impedance line, compared low-impedance line typical coaxial cable, for example. For that reason, radio operators are more casual about using tuners with balanced, high-impedance line.

Without an ATU, the SWR from a mismatched antenna and feedline can reflect power back into the transmitter (backlash current ) heating and/or burning parts of the output stage. Modern solid state transmitters will automatically reduce power when high SWR is detected, so some solid-state power stages only produce weak signals if the SWR rises above 1.5 to 1. Were it not for that problem, even the losses from an SWR of 2:1 could be tolerated, since only 11 percent of transmitted power would be reflected and 89 percent sent out through to the antenna. So the main loss of output power with high SWR is due to the transmitter "backing off" its output when challenged with backlash current. Tube transmitters and amplifiers usually have an adjustable output network that can feed mismatched loads up to perhaps 3:1 SWR without trouble. In effect the built-in Pi network of the transmitter output stage acts as an ATU.

Broadcast Applications

AM broadcast transmitters

ATU for a 250 KW 6 tower AM Antenna

One of the oldest applications for antenna tuners is in AM and shortwave broadcasting transmitters. AM transmitters usually use a vertical antenna (tower) which can be from 0.20 to 0.68 wavelengths long. At the base of the tower an ATU is used to match the antenna to the 50 ohm transmission line from the transmitter. The most commonly used circuit is a T network, using two series inductors with a shunt capacitor between them. When multiple towers are used the ATU network may also provide for a phase adjustment so that the currents in each tower can be phased relative to the others to produce a desired pattern. These patterns are often required by law to include nulls in directions that could produce interference as well as to increase the signal in the target area. Adjustment of the ATUs in a multitower array is a complex and time consuming process requiring considerable expertise.

High-power shortwave transmitters

For International Shortwave (50 kW and above), frequent antenna tuning is done as part of frequency changes which may be required on a seasonal or even a daily basis. Modern shortwave transmitters typically include built-in impedance-matching circuitry for SWR up to 2:1 , and can adjust their output impedance within 15 seconds.

The matching networks in transmitters sometimes incorporate a balun or an external one can be installed at the transmitter in order to feed a balanced line. Balanced transmission lines of 300 Ohms or more were more-or-less standard for all shortwave transmitters and antennas in the past, even by amateurs. Most shortwave broadcasters have continued to use high-impedance feeds even before the advent of automatic impedance matching.

The most commonly used shortwave antennas for international broadcasting are the HRS antenna (curtain array), which cover a 2 to 1 frequency range and the log-periodic antenna which cover up to 8 to 1 frequency range. Within that range, the SWR will vary, but is usually kept below 1.7 to one within the range of SWR that can be tuned by antenna matching built-into many modern transmitters. Hence, when feeding these antennas, a modern transmitter will be able to tune itself as needed to match at any frequency.

See also

References

  1. http://www.ittc.ku.edu/~jstiles/723/handouts/section_5_1_Matching_with_Lumped_Elements_package.pdf
  2. 1 2 3 Maxwell, W. M. W2DU (1990). Reflections: Transmission lines and antennas, 1st ed. Newington, CT: American Radio Relay League. ISBN 0-87259-299-5.
  3. http://www.w5dxp.com/OWT1.htm
  4. http://www.fars.k6ya.org/
  5. H. Ward Silver, ed. ARRL Antenna Book. Newington, Connecticut: American Radio Relay League (2011), p. 24-22 ISBN 978-0-87259-694-8
  6. http://amfone.net/Amforum/index.php?action=printpage;topic=19648.0
  7. P. Branham, A Convenient Transformer for matching Co-axial lines" Cern, Geneva, 1959, http://cds.cern.ch/record/214383/files/p1.pdf
  8. Single Stub Match http://www.arcticpeak.com/antennapages/single_stub_match.html
  9. Silver, H.L. (Ed.) (2011). The ARRL Handbook for Radio Communications, 88th ed. Newington, CT: American Radio Relay League.
  10. Smith, Philip H. (1969). Electronic applications of the Smith Chart, p. 121. Tucker, GA: Nobel Publishing. ISBN 1-884932-39-8
  11. http://www.radiomanual.info/schemi/ACC_matching/Drake_MN-4_user.pdf
  12. H. Ward Silver, ed. (2011). ARRL Antenna Book, p. 24-12. Newington, Connecticut: American Radio Relay League. ISBN 978-0-87259-694-8
  13. Hallas, Joel. (2014-09). "The Doctor is in". QST, September 2014, pg. 60. Newington, Connecticut: American Radio Relay League.
  14. H. Ward Silver, ed. (2011). ARRL Antenna Book, p. 24-13. Newington, Connecticut: American Radio Relay League. ISBN 978-0-87259-694-8.
  15. Salas, Phil, A 100-watt Compact Z-Match Antenna Tuner,http://www.ad5x.com/images/Articles/Ztuner%20RevA.pdf
  16. Balanced Line Tuner http://www.qrpkits.com/blt_plus.html
  17. Joel R. Hallas. (2010). The ARRL Guide to Antenna Tuners, pg. 4-3. Newington, Connecticut: American Radio Relay League. ISBN 978-0-87259-098-4.
  18. Silver, H.W. (2014). The ARRL Handbook, 2015 Ed., pg. 20-16. Newington, CT: American Radio Relay League. ISBN 978-1-62595-019-2.
  19. Kevin Schmidt, W9CF, Estimating T-network losses at 80 and 160 meters
  20. Stanley, J. (2015-09). Technical Correspondence: Antenna Tuners as Preselectors. (In) Wolfgang, L. (Ed.)QST, September 2015, pg. 61. Newington, CT: American Radio Relay League.
  21. http://www.webcitation.org/62nYQYsdn?url=http%3A%2F%2Fwww.arrl.org%2Ffiles%2Ffile%2FTechnology%2Ftis%2Finfo%2Fpdf%2F9508067.pdf Dave Miller, "Back to Basics". QST, August 1995
  22. HF Users Guide (SGC) http://www.sgcworld.com/Publications/Books/hfguidebook.pdf
  23. Stealth Kit (SGC) http://www.sgcworld.com/Publications/Manuals/stealthman.pdf
  24. Smart Tuners for Stealth Antennas (SGC) http://www.sgcworld.com/Publications/Books/stealthbook.pdf
  25. Joel R. Hallas. (2010). The ARRL Guide to Antenna Tuners, pg. 7-4. Newington, Connecticut: American Radio Relay League, ISBN 978-0-87259-098-4
  26. Hall, Jerry (Ed.). (1988). ARRL Antenna Book, p. 25–18ff. Newington, CT: American Radio Relay League. ISBN 978-0-87259-206-3

Bibliography

External links

This article is issued from Wikipedia - version of the 11/24/2016. The text is available under the Creative Commons Attribution/Share Alike but additional terms may apply for the media files.