Small Outline Integrated Circuit

SOIC-16

A Small Outline Integrated Circuit (SOIC) is a surface-mounted integrated circuit (IC) package which occupies an area about 30–50% less than an equivalent dual in-line package (DIP), with a typical thickness that is 70% less. They are generally available in the same pin-outs as their counterpart DIP ICs. The convention for naming the package is SOIC or SO followed by the number of pins. For example, a 14-pin 4011 would be housed in an SOIC-14 or SO-14 package.

JEDEC and EIAJ standards

SOIC actually refers to at least two different package standards: The EIAJ SOIC body is approximately 5.3 mm (0.21 in) wide, while the JEDEC SOIC body is approximately 3.8 mm (0.15 in) wide. The EIAJ packages are also thicker and slightly longer. Otherwise the packages are similar.

Note that because of this, SOIC is not specific enough of a term to describe parts which are interchangeable. Many electronic retailers will list parts in either package as SOIC whether they are referring to the JEDEC or EIAJ standards. The wider EIAJ packages are more common with higher pin count ICs, but there is no guarantee that an SOIC package with any number of pins will be either one or the other.

General package characteristics

The SOIC package is shorter and narrower than DIPs, the side-to-side pitch being 6 mm for an SOIC-14 (from lead tip to lead tip) and the body width being 3.9 mm. These dimensions differ depending on the SOIC in question, and there are several variants. This package has "gull wing" leads protruding from the two long sides and a lead spacing of 0.050 in (1.27 mm).

Narrow SOIC (JEDEC)

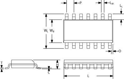
The picture below shows the general shape of a SOIC narrow package, with major dimensions. The values of these dimensions (in mm) for common SOICs is shown in the table.

 C  Clearance between IC body and PCB
 H  Total carrier height
 T  Lead thickness
 L  Total carrier length 
 LW Lead width
 LL Lead length
 P  Pitch
 WB IC body width
 WL Lead-to-lead width
 O  End overhang
Package WB WL H C L P LL T LW O
SOIC-8-N 3.8–4.0 5.8–6.2 1.35–1.75 0.10–0.25 4.8–5.0 1.27 0.41 (1.04) 0.19–0.25 0.35–0.51 0.33
SOIC-14-N 3.8–4.0 5.8–6.2 1.35–1.75 0.10–0.25 8.55–8.75 1.27 1.05 0.19–0.25 0.39–0.46 0.3–0.7
SOIC-16-N 3.8–4.0 5.8–6.2 1.35–1.75 0.10–0.25 9.8–10.0 1.27 1.05 0.19–0.25 0.39–0.46 0.3–0.7
SOIC-16-W 7.4–7.6 10.0–10.65 2.35–2.65 0.10–0.30 10.1–10.5 1.27 0.40–1.27 0.20–0.33 0.31–0.51 0.4–0.9

Wide SOIC

Next to the narrow SOIC package (commonly represented as SOx_N or SOICx_N, where x is the number of pins), there's also the wide (or sometimes called extended) version. This package is commonly represented as SOx_W or SOICx_W.

The difference is mainly related to the parameters WB and WL.

As an example, the values WB and WL are given for an 8-pins wide (extended) SOIC package:

Package WB WL
SOIC-8 5.41 (5.16) 8.07 (7.67)

MSOIC

Another SOIC variant, available only for 8-pins and 10-pins ICs, is the mini-SOIC, also called micro-SOIC. This case is much smaller with a pitch of only 0.5mm. See the following table for the 10-pin model:

Package WB WL H C L P LL T LW
miniSOIC-10 3.0 4.9 1.09 0.10 3.0 0.5 0.95 0.19 0.23

An excellent overview of different semiconductor packages can be found here.[1]

SOJ

SOJ package

Small outline J-leaded package (SOJ) is a version of SOIC with J-type leads instead of gull-wing leads.[2]

SOP

After SOIC came a family of smaller form factors, small outline package (SOP), with pin spacings less than 1.27 mm:

SSOP

Shrink small outline package (SSOP) chips have "gull wing" leads protruding from the two long sides, and a lead spacing of 0.0256 inches (0.65mm). 0.5mm lead spacing is less common, but not rare.

The body size of a SOP was compressed and the lead pitch tightened to obtain a smaller version SOP. This yields an IC package which is a significant reduction in the size (compared to standard package). All IC assembly processes remain the same as with standard SOPs.

Applications for a SSOP enable end-products (pagers, portable audio/video, disc drives, radio, RF devices/components, telecom) to be reduced in size and weight. Semiconductor families such as operational amplifiers, drivers, optoelectronics, controllers, logic, analog, memory, comparators and more using BiCMOS, CMOS or other silicon / GaAs technologies are well addressed by the SSOP product family.

TSOP

Hynix Flash Memory as TSOP

A TSOP (thin small outline package) is a rectangular, thin bodied component. The ICs on DRAM memory modules were usually TSOPs until they were replaced by ball grid array (BGA).

TSSOP

ExposedPAD TSSOP-16

A TSSOP (thin-shrink small outline package) is a rectangular, thin body size component. A Type I TSSOP has legs protruding from the width portion of the package. A Type II TSSOP has the legs protruding from the length portion of the package. A TSSOP's leg count can range from 8 to 64.

TSSOPs are particularly suited for gate drivers, controllers, wireless / RF, op-amps, logic, analog, ASICs, memory (EPROM, E2PROM), comparators and optoelectronics. Memory modules, disk drives, recordable optical disks, telephone handsets, speed dialers, video / audio and consumer electronics / appliances are suggested uses for TSSOP packaging.

Exposed Pad

The Exposed Pad (EP) variant of small outline packages can increase heat dissipation by as much as 1.5 times over a standard TSSOP, thereby expanding the margin of operating parameters. Additionally, the Exposed Pad can be connected to ground, thereby reducing loop inductance for high frequency applications. The ExposedPad should be soldered directly to the PCB to realize the thermal and electrical benefits.

References

  1. "National Semiconductor Selection Guide by Package Products". National.com. Retrieved 2011-12-18.
  2. "IC Package Types". Archived from the original on 2011-07-16. Retrieved 2013-01-01.

External links

This article is issued from Wikipedia - version of the 11/14/2016. The text is available under the Creative Commons Attribution/Share Alike but additional terms may apply for the media files.