5mm Remington Rimfire Magnum

5mm Remington Rimfire Magnum

5mm RRM (left), .22 WMR (center) and .17 HMR (right).
Type Rimfire
Place of origin  United States
Production history
Designer Remington Arms Company
Designed 1969
Manufacturer Remington
Produced 1971-1973, 2008-present
Specifications
Parent case none
Case type Rimfire, bottleneck
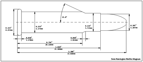
Bullet diameter .204 in (5.2 mm)
Neck diameter .225 in (5.7 mm)
Shoulder diameter .259 in (6.6 mm)
Base diameter .259 in (6.6 mm)
Rim diameter .325 in (8.3 mm)
Rim thickness .050 in (1.3 mm)
Case length 1.020 in (25.9 mm)
Overall length 1.30 in (33 mm)
Primer type Rimfire
Maximum pressure 33,000 psi (230 MPa)
Ballistic performance
Bullet mass/type Velocity Energy
38 gr. (2.5 g) Lead 2,100 ft/s (640 m/s) 372 ft·lbf (504 J)
30 gr. (1.9 g) JHP 2,410 ft/s (730 m/s) 410 ft·lbf (560 J)
Source(s): "Cartridges of the World",[1] "Varminter.com"[2]

The 5mm Remington Rimfire Magnum or 5mm RRM[3] is a bottlenecked rimfire cartridge introduced by Remington Arms Company in 1969. Remington chambered it in a pair of bolt-action rifles, the Model 591 and Model 592, but the round never became very popular, and the rifles were discontinued in 1974.[4] About 52,000 rifles and 30,000 barrels for the T/C Contender pistol were sold during its brief production run. Remington discontinued the cartridge itself in 1982,[4] leaving owners with no source of ammunition.[5][6]

In 2008, the cartridge was reintroduced by Mexico's Aguila Ammunition in collaboration with Centurion Ordnance.[7][8][9]

Design

Remington designed a completely new, bottlenecked case that was somewhat similar to the older .22 Winchester Magnum, but stronger to handle the higher pressure of the 5 mm at 33,000 PSI.[3] It uses a 5mm (.204 caliber) bullet that measures 0.2045 inches (5.19 mm), the same as the more recent .204 Ruger center fire cartridge.

From 1982 until 2008, no ammunition manufacturers manufactured rounds for this cartridge. Some firearms manufacturers even created conversion kits to allow the existing 5 mm guns to shoot other more-common cartridges.[6]

At the 2008 SHOT show, Aguila Ammunition announced they would reintroduce the cartridge and begin producing 5mm RMR ammunition in 2008. The cartridges are now available on the U.S. market branded as Centurion.

Performance

The 5 mm Mag offers higher velocity than the .22 WMR and more energy than either the .22 WMR or the later .17 HMR.[7] It offers improved performance on small-game and for varmint hunting, along with excellent accuracy.[1] The Aguila/Centurion 5mm Remington Magnum ammunition comes in two offerings: the original "White Box" with a 30gr dimpled jacketed soft point at 2300fps, as well as a Varmint "Yellow Box" round with a 30gr jacketed hollow point at 2400fps. Chronograph testing has shown that these rounds can actually run about 100fps faster than claimed by Aguila.[10]

Velocity[3][11]
Weight Cartridge Brand Type Range 0 50 100 150 200 yrds
17 grain .17 HMR Remington AccuTip-V Velocity 2550 2380 1900 1620 1378 ft/s
30 grain 5mm RFM Centurion Varmint Velocity 2480 2162 1869 1605 1380 ft/s
38 grain 5mm RFM Remington C.L. HP Velocity 2100 1839 1605 1401 1231 ft/s
33 grain .22 WMR Remington AccuTip-V Velocity 2000 1730 1495 ft/s
Energy[3][11]
Weight Cartridge Brand Type Range 0 50 100 150 200 yrds
17 grain .17 HMR Remington AccuTip-V Energy 245 185 136 99 72 ft·lbf
30 grain 5mm RFM Centurion Varmint Energy 410 311 233 172 127 ft·lbf
38 grain 5mm RFM Remington C.L. HP Energy 372 285 217 166 128 ft·lbf
33 grain .22 WMR Remington AccuTip-V Energy 293 219 164 ft·lbf
Trajectory (100 yards zero)[3][11]
Weight Cartridge Brand Type Range 0 50 100 150 200 yrds
17 grain .17 HMR Remington AccuTip-V Trajectory 0 +0.1 0 -2.6 in.
30 grain 5mm RFM Centurion Varmint Trajectory 0 +0.2 0 -2.7 in.
38 grain 5mm RFM Remington C.L. HP Trajectory 0 +0.5 0 -3.9 in.
33 grain .22 WMR Remington AccuTip-V Trajectory 0 +0.6 0 -4.5 in.

5mm Craig centerfire conversion

When Remington discontinued production of 5mm RRM ammunition, owners of Remington 591 and 592 rifles were left with excellent rifles but no ammunition for them. Mike Craig in 1994 in Seattle began work on a centerfire conversion of the 5mm RRM, the 5mm Craig.[12][13] His company, Certech, also performed conversions of 5mm rifles from rimfire to centerfire by altering the bolt and installing a new firing pin, restoring them to use. Craig has since sold all the rights to the 5mm Craig to Eagle View Arms of Shelton, WA.[13]

Firearms chambered for 5mm RMM

Original 591M and 592M rifles are still occasionally available on gun auction websites and at local gun shops and shows, prices running in the $500.00, plus or minus, range (2013).

For a brief time, Thompson Center Arms offered firearms in 5mm Mag.[6]

At the 2008 SHOT show, Taurus International introduced the first handgun chambered for the 5mm Remington Magnum Rimfire.[14] Concurrent with the announcement from Taurus, Aguila Ammunition announced they would begin producing 5mm RMR ammunition in 2008.

As of May 2011, Taurus has not yet imported nor produced their Tracker in 5mm RMR. They had stated that it will be manufactured and imported pending production demand in the second half of 2010.

See also

References

  1. 1 2 Barnes, Frank C. (2006) [1965]. Skinner, Stan, ed. Cartridges of the World (11th ed.). Iola, WI, USA: Gun Digest Books. pp. 475, 490, 492. ISBN 0-89689-297-2.
  2. New 5mm Varmint ammo at The Varminter Forums
  3. 1 2 3 4 5 "Magnum Rimfire Comparison: .17 HMR, 5mm Rem. RF Mag, and .22 WMR" by Chuck Hawks
  4. 1 2 When was the 5mm Remington rimfire discontinued? at Remington.com
  5. Ken Ramage (5 August 2008). Gun Digest 2009: The World's Greatest Gun Book. F+W Media, Inc. pp. 239–. ISBN 0-89689-647-1.
  6. 1 2 3 "5mm Centerfire" by Holt Bodinson, Guns Magazine, February 2000
  7. 1 2 "The 5mm Remington Rimfire Magnum" by Chuck Hawks
  8. Andy Moe (2008-01-28). "Aguila Brings Back the 5mm Remington!".
  9. Bodinson, Holt (1 July 2008). "I'm ba-a-a-ck! The return of the 5mm Remington rimfire magnum.". Guns Magazine. Retrieved 20 June 2015.
  10. 5mm Forums
  11. 1 2 3 http://iaaforum.org/forum3/viewtopic.php?f=8&t=11820
  12. Kenney, C. Lowell (2000). "5mm-Craig Centerfire". Varminter.com.
  13. 1 2 "5MM Craig Story". Eagle View Arms.
  14. Taurus Introduces New Revolver in 5mm Remington Magnum Rimfire
This article is issued from Wikipedia - version of the 11/25/2016. The text is available under the Creative Commons Attribution/Share Alike but additional terms may apply for the media files.